首頁>電動機類>粉塵防爆三相異步電動機>低壓粉塵防爆三相異步電動機 > YFB系列粉塵防爆三(san)相(xiang)異步電動機
本系(xi)列電(dian)動機功率(lv)范圍(wei)為(wei)(wei)0.12KW-315KW,機座高(gao)63-355mm本系(xi)列電(dian)動機外殼按其(qi)限(xian)制(zhi)粉(fen)塵進入(ru)電(dian)機外殼內(nei)部的能力分為(wei)(wei)塵密性(xing)(適用21區(qu))和防塵型(xing)(適用22區(qu))防護等(deng)(deng)級(ji)分別為(wei)(wei)IP65和IP55,電(dian)動機的冷卻方式為(wei)(wei)IC411,并可按用戶要求派生制(zhi)成戶外型(xing)(W),戶外防中等(deng)(deng)腐蝕型(xing)(WFI)等(deng)(deng)。
產品內部構造詳細展示
1.全新冷軋矽鋼片
2.100%全銅芯線圈
3.全新冷軋轉子
啟動轉矩大,震動小,功率足,質量可靠
低壓粉塵防爆三相異步電動機 | |
---|---|
防爆等級 | DIP |
安裝方式 | B3,B5,B35,V1,其它 |
電壓 | 380V,660V,380/660V,其它 |
頻率 | 50Hz |
防護等級 | IP55 |
絕緣等級 | F級 |
極數 | 2P、4P、6P、8P、10P |
功率 | 0.18~315kW |
機座號 | - |
冷卻方式 | - |
工作制 | - |
海拔 | - |
環境溫度 | - | 其他參數 |
產品型號 | YFB系列 |
防爆標志 | - |
供貨周期 | 30天 |
產品證件 | / |
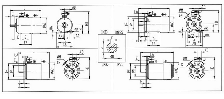
尺寸圖 |
|
違法和(he)不良信息舉報投(tou)訴(su)電話:0377-62377728 舉報郵箱:fbypt@bjly.net.cn