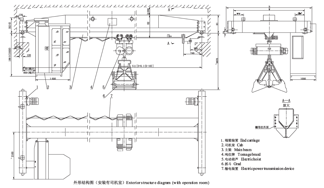
3-5噸單梁抓斗起重機 防爆起重機
想更優惠?上 防爆網 APP更便宜
- 市場價格:
- ¥88000.00
- 促銷價格:
- ¥80000.00
2年榮耀會員
聯系賣家:衛華集團有限公司
商家等級:VIP 13 級
所在地區:河南省長垣縣衛華大道西段
認證:否
店鋪榮譽:
標王
掃碼關注微店:暫未開通
看了又看
-
¥3500.00
-
¥280.00
-
¥5500.00
-
¥3800.00
熱賣商品
-
¥10000.00
-
¥80000.00
-
¥58000.00
-
¥88000.00
-
¥10000.00
防爆起重機規格參數 | 額定電壓 | - |
額定電流 | - |
適用場所 | IIB,IIC |
防護等級 | - |
其他參數 | 產品型號 | - |
防爆標志 | - |
供貨周期 | 15天 |
防爆合格證編號 | - |
尺寸圖 |  |