防爆離心風機規格參數 | |
---|---|
適用場所 | IIA,IIB,IIC |
額定電壓 | 380V/50Hz |
電動機功率 | 詳見技術參數 |
電動機型號 | - |
機號 | 2.8/3.2/4/6 |
轉速 | 詳見技術參數 |
風量 | 詳見技術參數 |
全壓 | 詳見技術參數 |
靜壓 | 詳見技術參數 |
噪聲 | 詳見技術參數 |
重量 | 詳見技術參數 |
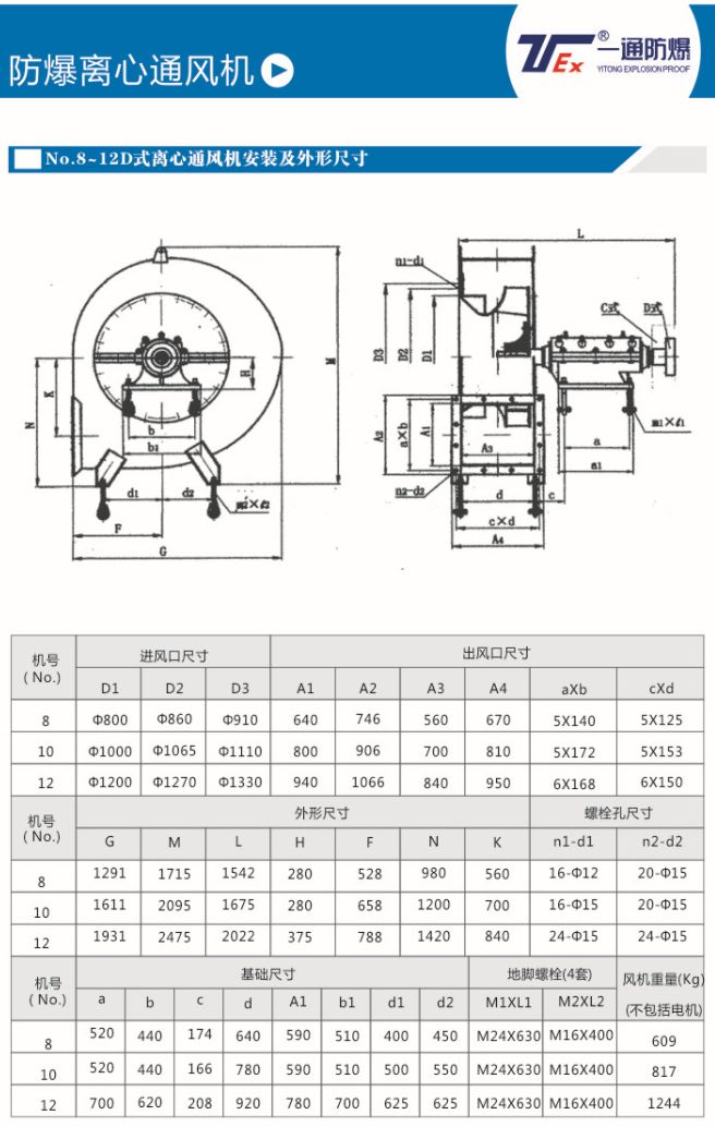
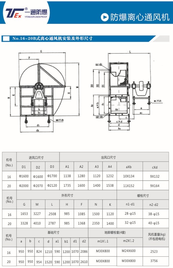
外形尺寸 | 詳見外形及安裝尺寸圖 |
安裝尺寸 | 詳見外形及安裝尺寸圖 | 其他參數 |
產品型號 | B4-72-2.8/3.2/4/6 |
防爆標志 | Ex d ⅡC T4 Gb |
供貨周期 | 20天 |
防爆合格證編號 | CNEx15.1735X |
尺寸圖 | ![]() ![]() ![]() ![]() |
違法和(he)不良(liang)信息舉報投訴電話:0377-62377728 舉報郵箱:fbypt@bjly.net.cn