YTY-A3防爆電動云臺的設計滿足ⅡC氣體組以下(典型為氫氣、乙炔、乙烯、焦爐煤氣、二甲醚等)及可燃性粉塵等極為特殊的環境;
其制造符合GB3836-2010標準的規定。采用科學的隔爆結構達到IIC防爆要求,承載防爆攝像儀實現全方位監控;
具備3.8°/sec 的水平轉速和垂直轉速,360°的水平轉角,-90°~+90°的垂直轉角;
采用大力矩直流行星電機,極大增強外部扭力的輸出,大幅度增加承載重量及減少外部扭力阻抗干擾因素;
超強的抗振動、抗干擾、抗臺風等性能,能在惡劣環境中長期穩定工作;
具備1個出線孔,可使用防爆撓性管或防爆電纜進行防爆電氣連接;
安裝方便,維護簡單。基座、立柱、塔架、抱箍多種方式安裝。
防爆電動云臺規格參數 | |
---|---|
防爆標志 | IIB,IIC,DIP |
防護級別 | IP66 |
工作電壓 | DC12V |
工作電流 | 2A |
預置位 | 無 |
通訊 | 無 |
地址 | 無 |
材質 | 不銹鋼 |
重量 | 18Kg |
安裝方式 | 壁裝/立桿/抱箍 |
電纜引入裝置 | G1/2*1 |
轉動速度 | 6度 |
轉動范圍 | 0-350 |
轉動與預置位精度 | 無 |
大氣壓力 | 80~106KPa |
環境溫度 | -25℃~+60℃(常溫) -45℃~+60℃(低溫) |
相對濕度 | ≤95%RH(+25℃) | 其他參數 |
認證類別 | - |
產品型號 | YTY-A3 |
防爆標志 | - |
供貨周期 | 15天 |
產品證件 | |
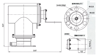
尺寸圖 | ![]() |
違法和不良信息舉報投訴電話:0377-62377728 舉報郵箱:fbypt@bjly.net.cn